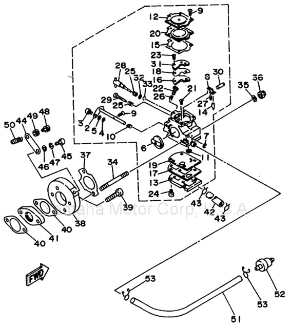
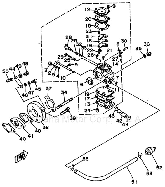
7. 16-75 Walbro WB3A Carburetor O-Ring for High Speed Needle Yamaha KT100

For WB3A Carburetor