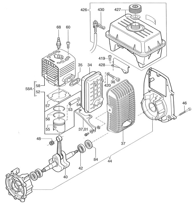
55. Comer C-51 Piston with Rings

Select Size

Comer Piston Kit with Rings

C50, C51, C52