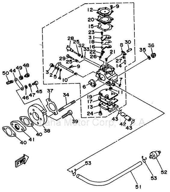
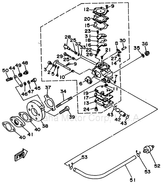
32. 136-106 Walbro WB3A Carburetor High Speed Needle Washer Yamaha KT100

For WB3A Carburetor