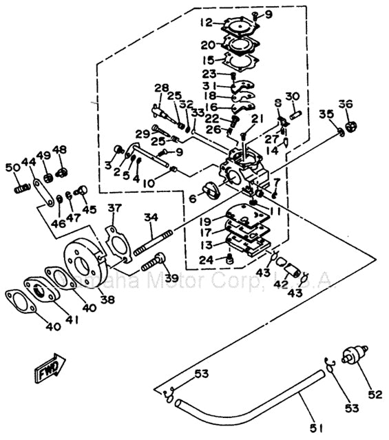
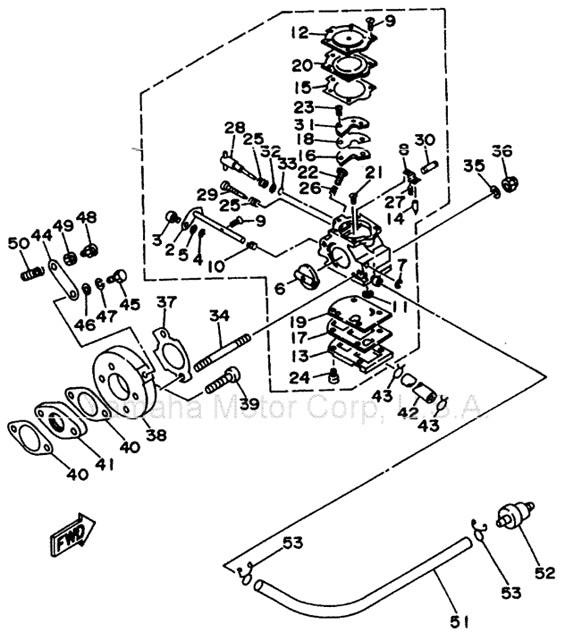
29. 102-152 Walbro WB3A Carburetor OEM Low Speed Needle Yamaha KT100

For WB3A Carburetor