Please notify me when {{ product }} becomes available - {{ url }}:
Notify me when this product is available:
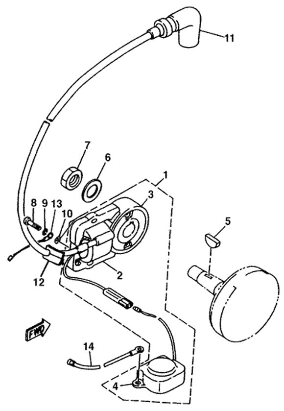
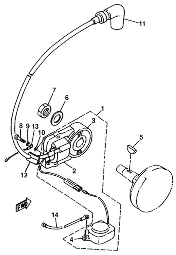
KT100 OEM Plug Cap
#11 on diagramWorks on other engine types as well, screw in style plug boot
82370-00-00
Collections: Electrical, Engines, Products, Wiring Harness, Battery Support Box, Harness Adapters, Stators, Coils, Flywheels, Yamaha KT100 Ignition Parts