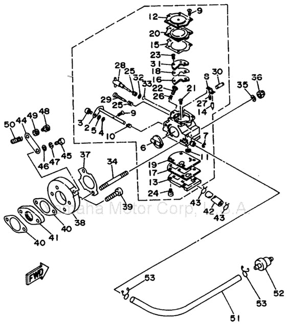
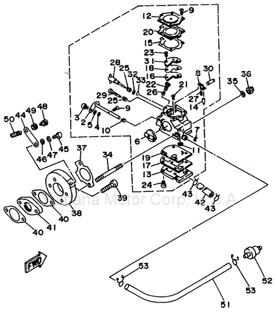
9. 96-589 Walbro WB3A Carburetor OEM Butterfly Screw / Carb Top Bolt Yamaha KT100

For WB3A Carburetor