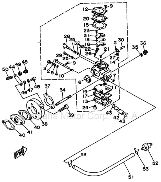
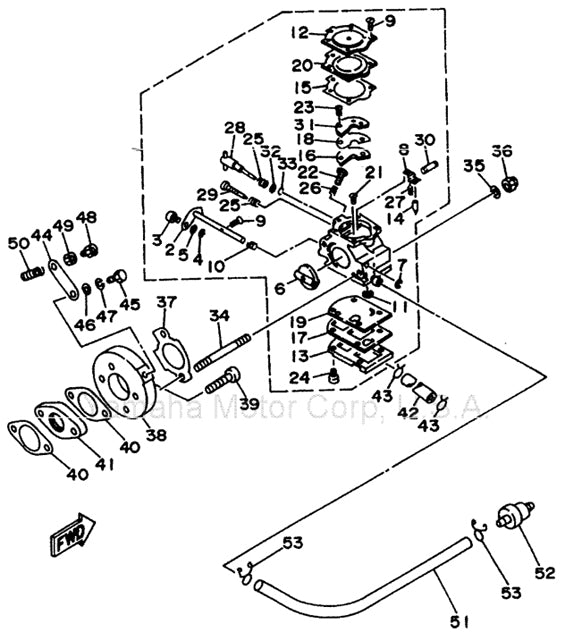
48. Walbro WB3A Carburetor Throttle Cable Threaded Adjuster Yamaha KT100

For WB3A Carburetor