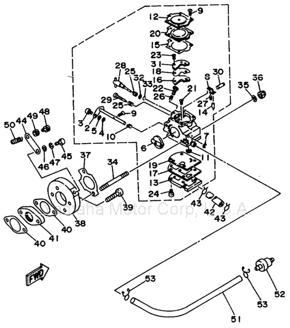
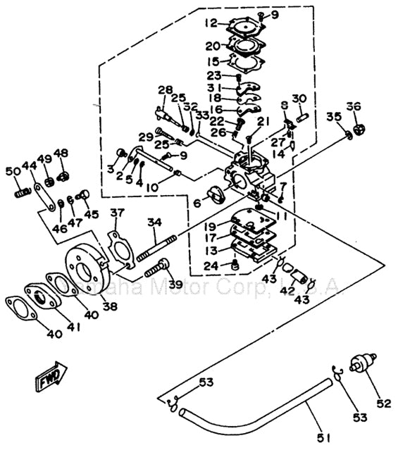
45. Walbro WB3A Carburetor Throttle Bracket Bolt Yamaha KT100

For WB3A Carburetor