Please notify me when {{ product }} becomes available - {{ url }}:
Notify me when this product is available:
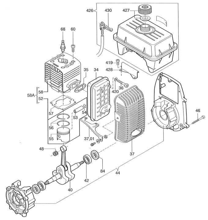
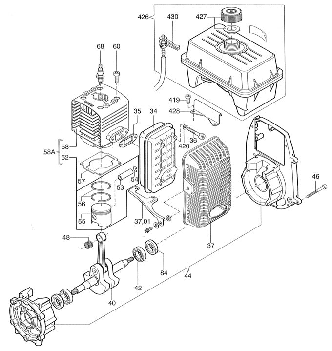
Comer Crank Shaft Assembly with Rod
Collections: Best Sellers, Bottom End, Comer C52 Case, Cylinder, Exhaust Parts, Cranks, Eligible for Coupon, Engines, Products