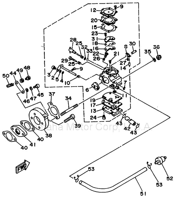
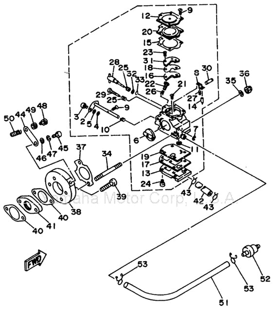
31. 157-585 Walbro WB3A Carbretor Circuit Diaphragm Cover Yamaha KT100

For WB3A Carburetor