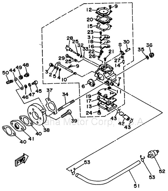
30. 14460 Walbro WB3A Carburetor Fulcrum Arm Pin Yamaha KT100

For WB3A Carburetor