Please notify me when {{ product }} becomes available - {{ url }}:
Notify me when this product is available:
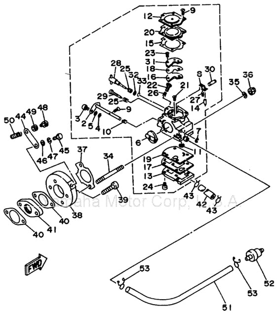
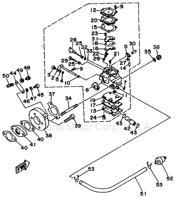
For WB3A Carburetor
Collections: Carburetors, Engines, Products, Walbro WB3A Yamaha KT100 Carburetor Parts