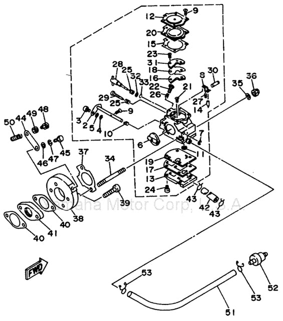
24. 96-543 Walbro WB3A Carburetor Bottom Cover Screw Yamaha KT100

For WB3A Carburetor