Please notify me when {{ product }} becomes available - {{ url }}:
Notify me when this product is available:
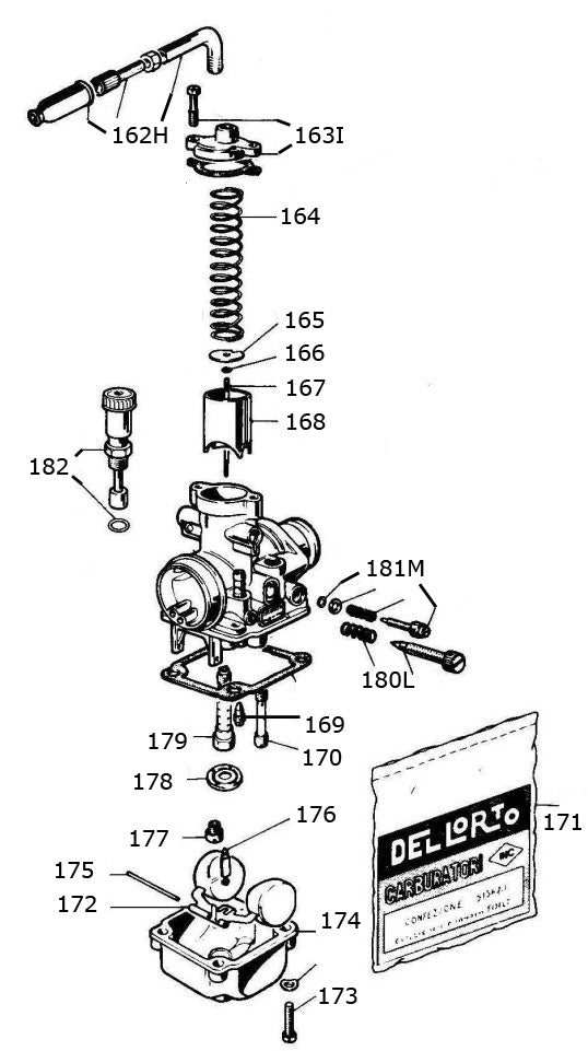
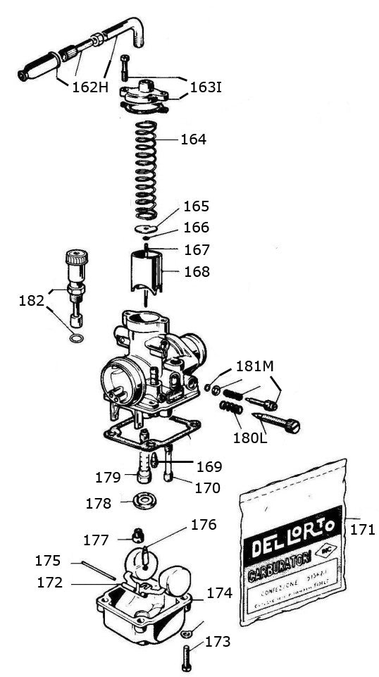
Mini Rok Carb Jet
Collections: Carburetors, Engines, Products, Vortex Mini Rok Dellorto Carburetor Parts