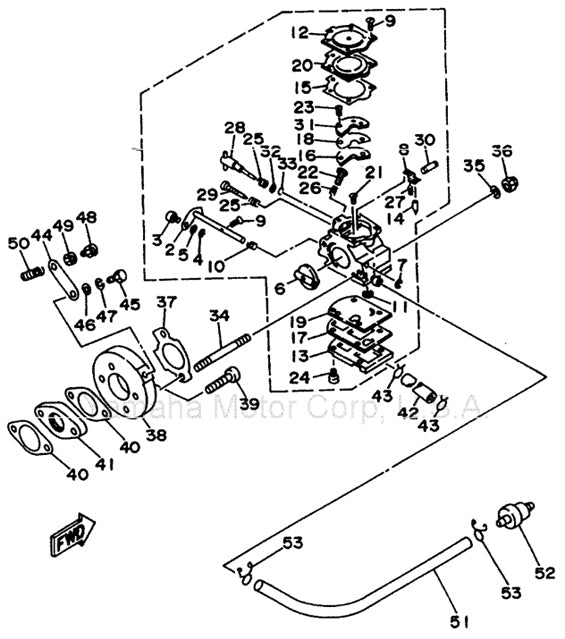
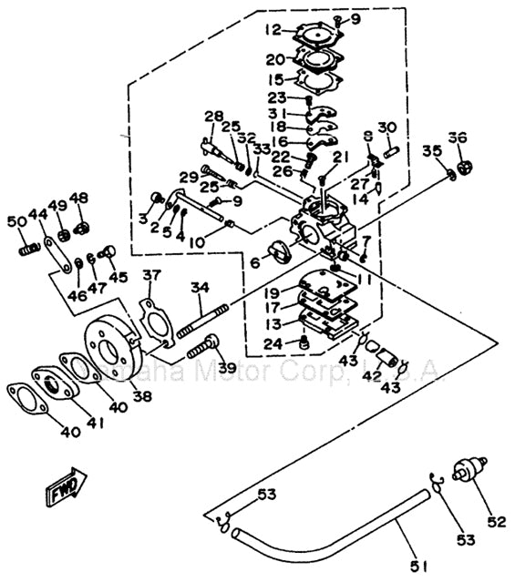
13. 21-649 Walbro WB3A Carburetor Bottom Carburetor Cover with Pulse Fitting Yamaha KT100

For WB3A Carburetor