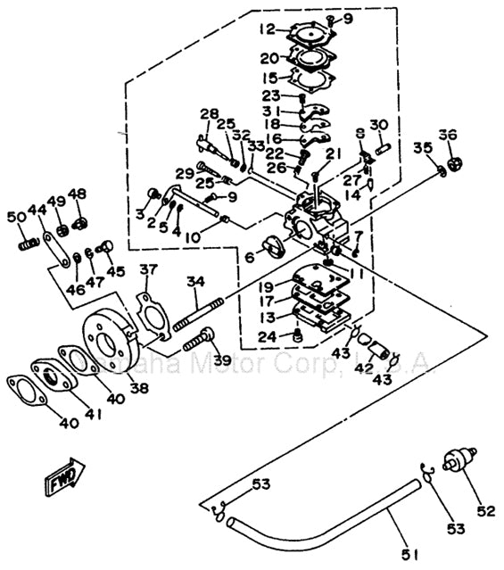
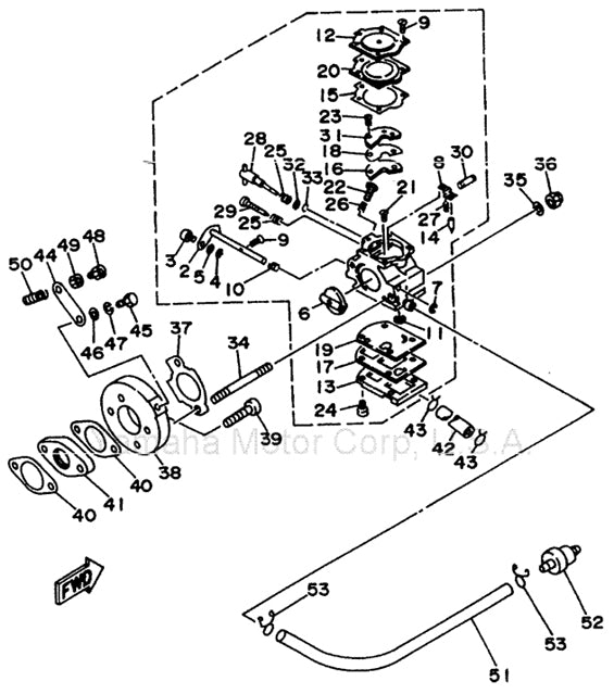
11. 140-34-8 Walbro WB3A Carburetor Inlet Screen Yamaha KT100

For WB3A Carburetor