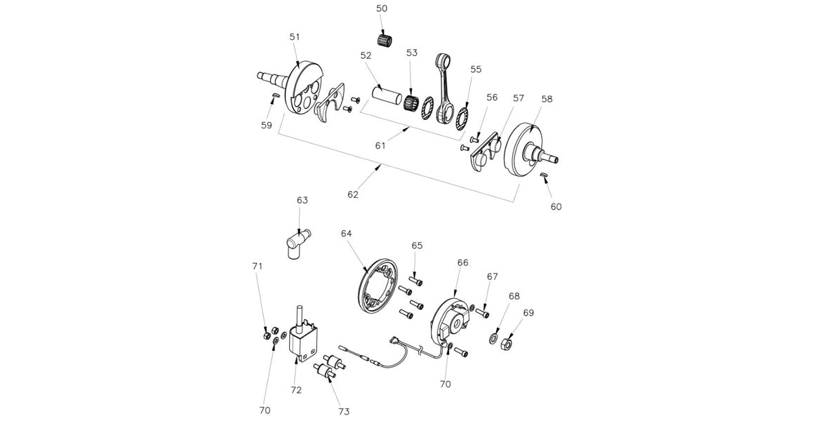
Vortex Rok VLR Crankshaft Parts, Crank Shaft Engine Parts, 50. W290/1 Rok VLR Piston Cage Bearing, 51. W150/RKT Rok VLR PTO Crank Half, 52. W200/KF Rok VLR Lower Crank Pin, 53. W10320/B6 Rok GP Lower Rod Cage Bearing, 55. W10310/KF Rok VLR Lower Rod Thrust Washer, 56. W522/12 Rok VLR Crank Stuffer Screw, 57. W160/KF Rok VLR Crankshaft Stuffers, 58. W140/RKT Rok VLR Mag Crankshaft Half, 59. W121 Rok VLR PTO Clutch Key, 60. W122 Rok VLR Mag Ignition Key, 61. W7000121000100 Rok VLR Complete Connecting Rod Assembly, 62. W7000135000100 Rok VLR Complete Crankshaft Assembly, 63. W420/2 Rok VLR PVL Spark Plug Cap, 64. W7002243300100 Rok VLR USA Stator Support, 65. W524/14 Rok VLR Stator Support SHCS 5mm x 14mm, 66. W407/MR Rok VLR Ignition Stator, 67. V.TCE5X20 Rok VLR Stator SHCS 5mmx20mm Bolt, 68. W1777/MR Rok VLR Ignition Washer, 69. W529/0108 Rok VLR Ignition Magneto Nut M10 x 1mm, 70. W570/12 Rok VLR Stator Flat Washer, 71. W531/06 Rok VLR M6 Coil Non-Locking Nut, 72. W410/MR Rok VLR Selettra Coil, 73. W440 Rok VLR Ignition Coil Rubber Dampener
