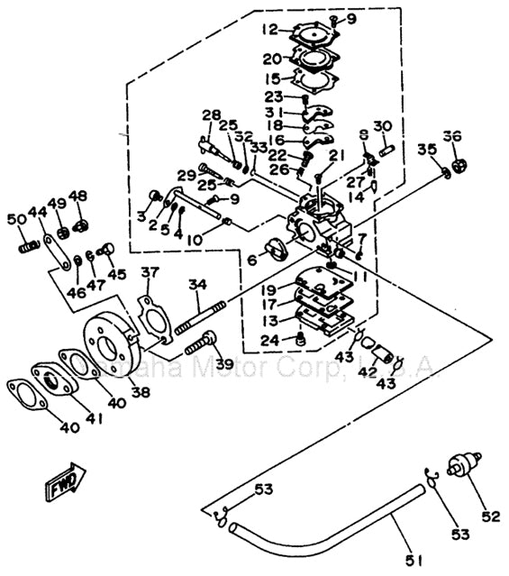
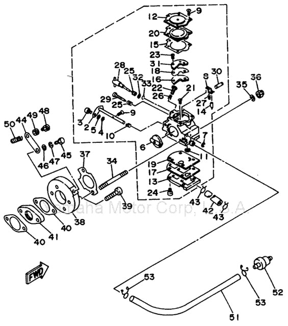
22. 96-236 Walbro WB3A Idle Adjustment Screw

For WB3A Carburetor